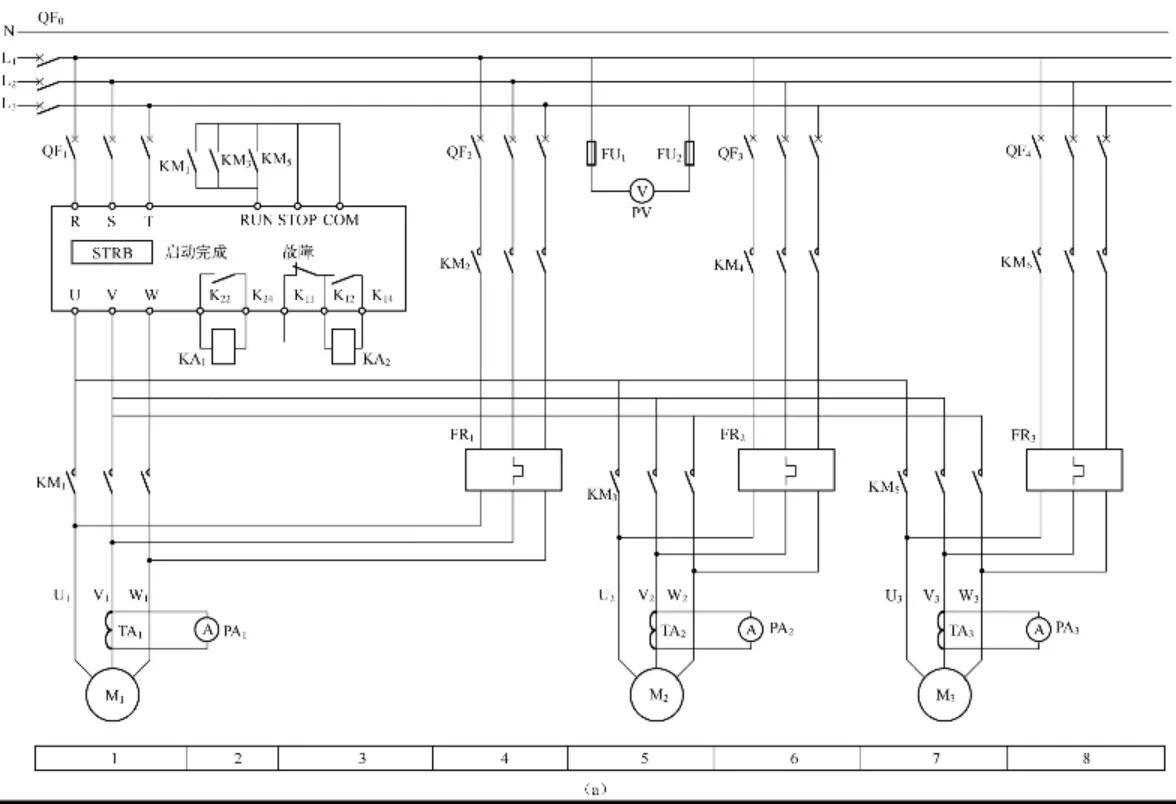
软启动器一拖三的控制电路
软启动器一拖三的控制电路
控制电路如图4-1所示。该电路适用于一台软启动器拖动三台电动机分时启动,在任一台电动机启动完成后,软启动器处于待命状态,此时方可允许启动下一台电动机。在这种工作方式下,软启动器的停止功能不能使用,同时必须另加电动机的热保护继电器。 由于电动机M1、M2、M3的工作过程相同,所以仅介绍M1的工作过程。合上断路器QF0[1]→HL4~HL6[18~20]得电点亮,表示电动机M1~M3未工作。
(1)M1启动

(2)停止 按下M1的停止按钮SB12[12],KM2[12]失电,主触点[4]断开,电动机停转。 在启动过程中,出现故障时,故障继电器 KA2 [3]得电,#KA2 (1-3)[9]断开,KM1 [9]失电,软启动器停止工作,电动机停转。

图4-1软启动器一拖三控制电路
(3)故障处理 在M1运行过程中,出现过载时,热继电器 FR1 [4]动作,#FR1 (1-65)21]闭合,KA01[21]得电,#KA01(31-33)[12]断开,KM2[12]失电,电动机停转。
-
- 南竹
-
2026-01-02 15:10:23
-
- 腊八节已至,牢记:吃3样,老传统要牢记,为家人祈福
-
2026-01-02 15:08:09
-
- 狠心主人居然把猫咪放进微波炉加热,没有人性
-
2026-01-02 15:05:55
-
- 杭天琪现在的丈夫是谁 杭天琪结婚多少次曝光
-
2026-01-02 15:03:40
-
- 韩国性感女星金熙贞泳衣姿态健康性感美
-
2026-01-02 15:01:26
-
- 国学精粹摘抄
-
2026-01-02 14:59:12
-
- 王一博自爆有微博小号,网友猜测千奇百怪,却颇为合理
-
2026-01-02 08:46:59
-
- 美国驻黎巴嫩大使馆外发生枪击
-
2026-01-02 08:44:44
-
- 何泓姗穿婚纱表情灵动秀笑容甜 风格百变大秀美腿
-
2026-01-02 08:42:30
-
- 高一数学培优——对勾函数求最值10种方法总结
-
2026-01-02 08:40:16
-
- 电工实物接线电路图合集,学了这些你可以超过大多数电工
-
2026-01-02 08:38:02
-
- 曾华倩旧照公开,巴掌脸配樱桃嘴,这才是真正“绝世美人”
-
2026-01-02 08:35:47
-
- SD敢达战争要塞国服机体评测 自由敢达
-
2026-01-02 08:33:33
-
- 12月25日赵丽颖工作室发布圣诞营业照让我们来看看吧!!
-
2026-01-02 08:31:19
-
- 《恋爱先生》罗玥的人物介绍
-
2026-01-02 08:29:04
-
- 为什么南方现在下雪了
-
2026-01-02 08:26:50
-
- 同心结编法教程
-
2026-01-02 02:27:55
-
- 腾讯你学到了么?《英雄联盟》龙瞎礼包仅需126元
-
2026-01-02 02:25:41
-
- 太好了!湖南师范大学各专业在湘高考录取分数线和位次已搜集全
-
2026-01-02 02:23:26
-
- 手把手教你北京小吃杏仁茶配方及制作流程,简单易上手一看就会
-
2026-01-02 02:21:12



姜昆、侯耀华、石富宽、王谦祥见到马志明怎么称呼?
裸贷肉偿是什么意思 利息越来越高根本无力偿还